CAT5e, Panel Mount Snap In Cable 3 - OCP Group Inc.
Published on Jan 14, 2019

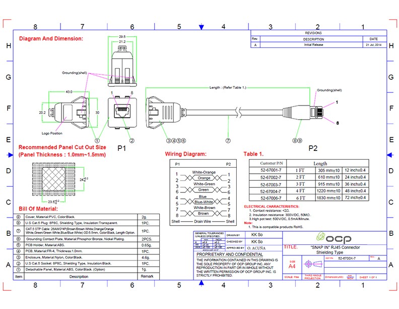
CAT5e, Panel Mount Snap In Cable 3

CAT5e, Panel Mount Snap In Cable