Dual USB A Female to A Male Panel Mount Cable 3 - OCP Group Inc.
Published on Jan 14, 2019

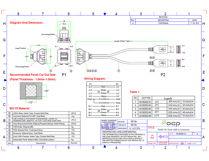
Dual USB A Female to A Male Panel Mount Cable 3

Dual USB A Female to A Male Panel Mount Cable